Sign In | Join Free | My adobecards.com
China HUATEC GROUP CORPORATION logo
HUATEC GROUP CORPORATION
HUATEC GROUP CORPORATION Professional Non Destructive Testing Equipment
Verified Supplier

17 Years

Home > Ultrasonic Flaw Detector >

19mm Thickness Duplex Asme Ut Calibration Block

HUATEC GROUP CORPORATION
Trust Seal
Verified Supplier
Credit Check
Supplier Assessment
Contact Now

19mm Thickness Duplex Asme Ut Calibration Block

  • 1
  • 2
  • 3

Brand Name : HUATEC

Model Number : asme

Certification : ISO, CE, GOST

Place of Origin : Beijing

MOQ : 1pcs

Payment Terms : Western Union, T/T, L/C

Supply Ability : 500pcs per month

Delivery Time : 1-4days

Packaging Details : Standard export package

Material : carbon steel, stainless steel, duplex stainless steel 2205,aluminum 7075

Thickness : 19mm/38mm/75mm/125mm

Hole diameter : 2.5mm/3/5.5/6.5

Calibration certificate : Included

Case : included

OEM : yes

Product name : ASME ultrasonic Calibration Blocks

Contact Now

ASME ultrasonic Calibration Blocks Ultrasonic calibration blocks ultrasonic calibration blocks uk

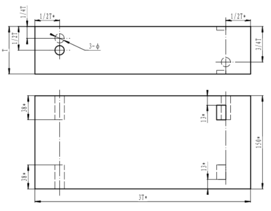
ASME calibration block (non pipe)

Standard: ASME BPVC-V-2015

The size and shape of ASME non-pipe weld test block are shown in the chart below, when inspected
For inspection on materials with surface diameter greater than 500mm, test blocks with the same curvature as the workpiece or standard test blocks with a diameter equal to or less than 500mm can be used
During the upper inspection, the curve test block, namely the tube seam test block, should be used.

1. The distance between each slot and either end of the test block or other slots is not less than T or 25mm, if larger.
2. The minimum length L of the test block shall be 200mm or 8T, if larger.
3. When the inner diameter is equal to or less than 100mm, the minimum radian is 270°. When the inner diameter is greater than 100mm, the minimum arc length is 200mm or 3T, and the larger is taken
4. The depth of each tank is 11% T≥h≥ 8% T, width ≤6mm, length ≥225mm

ASME calibration block (non pipe)

Standard: ASME BPVC-V-2015

The size and shape of ASME non-pipe weld test block are shown in the chart below, when inspected
For inspection on materials with surface diameter greater than 500mm, test blocks with the same curvature as the workpiece or standard test blocks with a diameter equal to or less than 500mm can be used
During the upper inspection, the curve test block, namely the tube seam test block, should be used.

1. The distance between each slot and either end of the test block or other slots is not less than T or 25mm, if larger.
2. The minimum length L of the test block shall be 200mm or 8T, if larger.
3. When the inner diameter is equal to or less than 100mm, the minimum radian is 270°. When the inner diameter is greater than 100mm, the minimum arc length is 200mm or 3T, and the larger is taken
4. The depth of each tank is 11% T≥h≥ 8% T, width ≤6mm, length ≥225mm

Material: carbon steel 1018, stainless steel 304/316, duplex stainless steel 2205,aluminum 7075

Hole diameter:2.5/3/5.5/6.5mm

Thickness: 19mm/38mm/75mm/125mm

Mark: OEM can be done

19mm Thickness Duplex Asme Ut Calibration Block

19mm Thickness Duplex Asme Ut Calibration Block

HUATEC Group offer all kinds ultrasonic calibration block


Product Tags:

duplex Asme Ut Calibration Block

      

duplex Ut Calibration Block

      

19mm Asme Ut Calibration Block

      
 19mm Thickness Duplex Asme Ut Calibration Block Manufactures

19mm Thickness Duplex Asme Ut Calibration Block Images

Inquiry Cart 0
Send your message to this supplier
 
*From:
*To: HUATEC GROUP CORPORATION
*Subject:
*Message:
Characters Remaining: (0/3000)